Описание:
Потолочный проходной узел ППУ модель №1 с отверстием диаметром 230 мм защитный элемент дымоходной системы, предназначенный для безопасного прохождения трубы через горючие потолочные перекрытия и стены. Он предотвращает возгорание деревянных конструкций за счет изоляции горячей трубы негорючими материалами (минерит, базальтовая вата).
Пожарная безопасность: главная цель — исключить контакт горячего дымохода (особенно в банях, где температура достигает 600-700 градусов ) с деревянными элементами, предотвращая их тление и воспламенение.
Термоизоляция: конструкция в виде короба с огнеупорным утеплителем снижает нагрев перекрытия.
Фиксация дымохода: ППУ обеспечивает устойчивое положение дымовой трубы в месте прохода.
Использование ППУ является обязательным при монтаже печей и твердотопливных котлов в деревянных домах и банях.
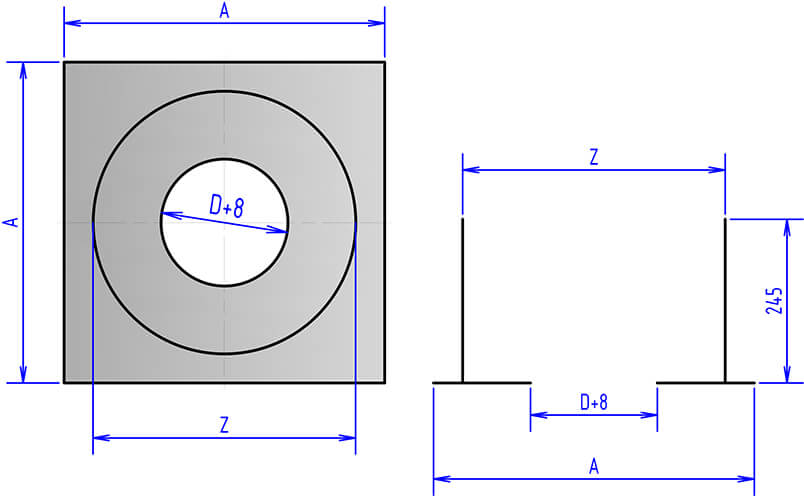
Габаритные размеры:
D - 230 мм
A - 480 мм
Z - 380 мм
.jpg)









