Описание:
Крепление к стене для труб диаметром 300 мм изготовлено из нержавеющей стали AISI 430, элемент системы дымоходов предназначенный для обеспечения устойчивости и фиксации дымоходной трубы к стене здания. Оно состоит из опорной пластины и хомута, который обхватывает трубу по наружному диаметру.
AISI 430 ферритная коррозионностойкая сталь содержит 16–18% хрома и низкое количество углерода. Она отличается высокой коррозионной стойкостью, пластичностью, магнитными свойствами и доступной ценой за счет отсутствия никеля.
Назначение:поддерживает дымоход в заданном положении и обеспечивает устойчивость к боковым ветровым нагрузкам.
Конструкция: Включает опорную пластину с монтажными отверстиями для крепления к негорючей стене и разборный ленточный хомут для фиксации элемента дымохода.
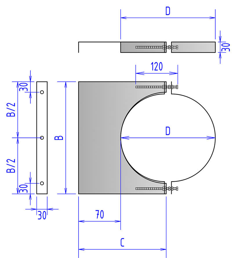
Габаритные размеры :
D - 300 мм
C - 225 мм
B - 370 мм
.jpg)










