Описание:
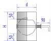
Шибер поворотный 1ШП для дымохода диаметром 180 мм изготовлен из нержавеющей стали марки AISI 430 элемент, предназначенный для регулировки тяги, управления интенсивностью горения, сохранения тепла в печи/камине после протопки и повышения безопасности. Он перекрывает сечение трубы, предотвращая вытягивание теплого воздуха, устанавливается на начальном участке трубы (обычно в пределах первого метра).
Полностью вытянутая или повернутая вдоль трубы ручка означает «открыто» (максимальная тяга), задвинутая/перпендикулярная — «закрыто». При розжиге шибер открывают, при горении — регулируют, а после полного прогорания дров — закрывают для сохранения тепла.
Безопасность: в банях после парения шибер лучше оставлять открытым на некоторое время, регулируйте плавно, не допуская перегрева пружины, чтобы механизм не заклинило.
.jpg)










