Описание:
Одностенный тройник 90 градусов из нержавеющей стали диаметром 150 мм предназначен для изменения направления дымового канала, соединения горизонтального участка от котла/печи с вертикальным дымоходом. Он используется для отвода продуктов сгорания. Изготавливается из жаростойкой стали AISI 430, выдерживая высокие температуры.
AISI 430 ферритная коррозионностойкая сталь содержит 16–18% хрома и низкое количество углерода. Она отличается высокой коррозионной стойкостью, пластичностью, магнитными свойствами и доступной ценой за счет отсутствия никеля.
Нижняя часть тройника используется для установки заглушки с конденсатоотводчиком для очистки от сажи и слива конденсата.
Одностенные тройники применяются преимущественно внутри помещений или как вкладыши в кирпичные дымоходы.
Нержавеющая сталь не горит, выдерживает высокие температуры, характерные для твердотопливных печей и котлов. Толщина стенки в 1 мм обеспечивает надежность при длительной эксплуатации.
Раструбная система соединения обеспечивает плотную стыковку, что гарантирует безопасность. Отсутствие завихрений внутри обеспечивает свободное прохождение дыма.
Увеличенная толщина стенки 1 мм обеспечивает большую конструктивную прочность и устойчивость к механическим повреждениям по сравнению с более тонкими вариантами (0,5 или 0,8 мм), медленнее прогорает и изнашивается, что значительно продлевает общий срок службы дымохода (производители указывают срок службы более 10 лет, а в реальности он может достигать нескольких десятилетий при правильной эксплуатации).
Устойчивость к высоким температурам: тройники данной толщины отлично подходят для оборудования, использующего твердое топливо (печи, камины, котлы), где температура отходящих газов может быть очень высокой. Они выдерживают температуры до 800°C и выше без потери прочности.
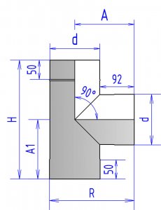
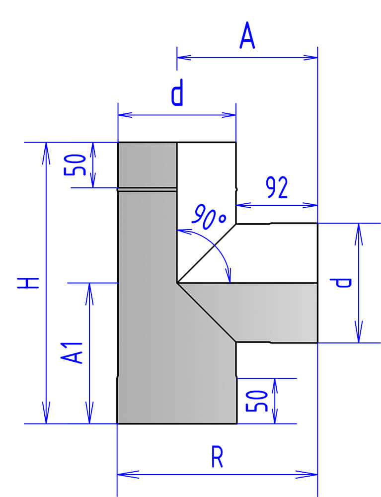
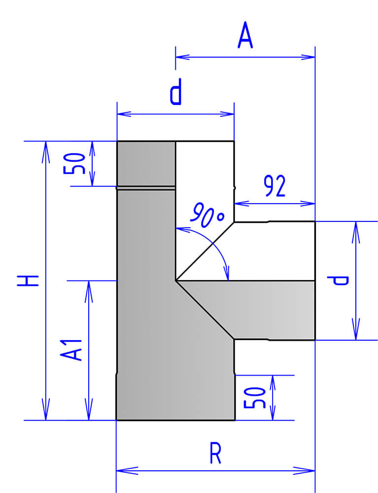
Габаритные размеры:
d - 150 мм
A - 167 мм
A1 - 165 мм
H - 330 мм
R - 242 мм
.jpg)










