Описание:
Одностенный тройник 45 градусов из нержавеющей стали диаметром 180 мм, толщиной 0.5 мм предназначен для соединения дымоотводящей трубы газового котла с основным вертикальным дымоходом. Угол в 45° обеспечивает более плавный отвод дымовых газов, чем 90°, снижая сопротивление, улучшая тягу и предотвращая накопление сажи в узле.
AISI 430 ферритная коррозионностойкая сталь содержит 16–18% хрома и низкое количество углерода. Она отличается высокой коррозионной стойкостью, пластичностью, магнитными свойствами и доступной ценой за счет отсутствия никеля.
Изменение направления дымохода позволяет безопасно перевести горизонтальный участок трубы в вертикальный, обходя конструкционные элементы здания.
Нижний патрубок тройника используется для установки конденсатосборника или заглушки, что позволяет проводить чистку дымохода от сажи и удалять конденсат.
Используется при подключении к основной магистрали дополнительных веток в системах вентиляции или дымоудаления.
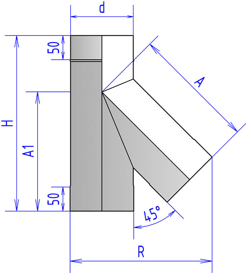
Габаритные размеры:
d - 180 мм
A - 317 мм
A1 - 307 мм
H - 435 мм
R - 378 мм
.jpg)










